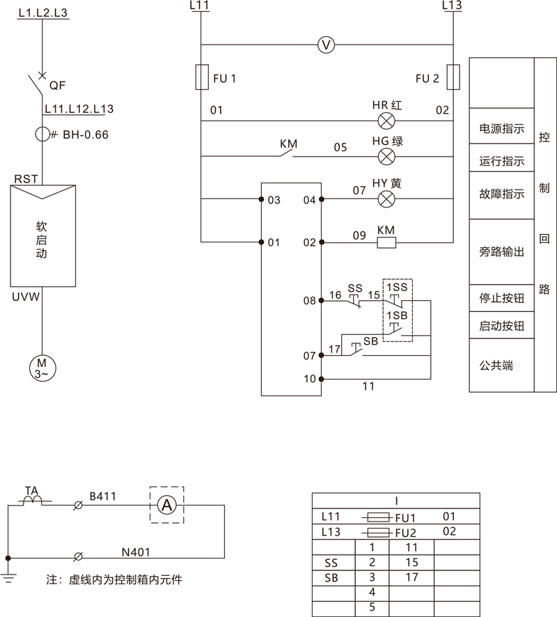
YPZ5000在线智能软启动器
软启动器
在线智能型式软启动器,三进三出就可以直接使用(无需装柜子)无需加交流接触器,产品制造精良,性能卓越,拥有先进控制功能,是今工业领域、矿山、消防、生活供水、城市排污等产品。在线式软启动器具有无级加速平滑启动功能。实现了交流电机从零转速到达额定转速。对电网以及管网实行无冲击损害,大大延长了设备使用寿命。本产品适合各种交流电机风机、水泵、消防泵、喷淋泵、排污泵、深井泵、空压机、制砖机、破碎机、矿山机械等设备的控制,实际平滑启动,无级加速。
联系电话: 13321966910





